Beranda
/ Tentukan Hasil Pengukuran Dari Mikrometer Sekrup Di Bawah Ini / Tentukan Hasil Pengukuran Jangka Sorong Dan Mikrometer Sekrup Dari Gambar Di Bawah Ini Mohon Dijawab Dengan Benar Dan Akurat Karena - Untuk mengukur panjang/tebal benda, kita biasanya menggunakan salah satu dari ketiga alat ukur panjang dibawah ini:
Tentukan Hasil Pengukuran Dari Mikrometer Sekrup Di Bawah Ini / Tentukan Hasil Pengukuran Jangka Sorong Dan Mikrometer Sekrup Dari Gambar Di Bawah Ini Mohon Dijawab Dengan Benar Dan Akurat Karena - Untuk mengukur panjang/tebal benda, kita biasanya menggunakan salah satu dari ketiga alat ukur panjang dibawah ini:
Tentukan Hasil Pengukuran Dari Mikrometer Sekrup Di Bawah Ini / Tentukan Hasil Pengukuran Jangka Sorong Dan Mikrometer Sekrup Dari Gambar Di Bawah Ini Mohon Dijawab Dengan Benar Dan Akurat Karena - Untuk mengukur panjang/tebal benda, kita biasanya menggunakan salah satu dari ketiga alat ukur panjang dibawah ini:. Baca juga elastisitas dan hukum hooke. Alat ukur ini memiliki ketelitian setengah dari skala terkecil yang tertera pada alat tersebut. Berikut ini merupakan contoh pengukuran beberapa besaran di dalam fisika. Seperti yang sudah diketahui bersama bahwasanya alat mikrometer sekrup ini merupakan bagian dari alat ukur sebuah benda. Angka ini bisa berarti pada skala nonius didapat tambahan panjang 0.28 mm.
Hasil = skala tetap ditambah skala vernier. Walaupun mikrometer sekrup ini mempunyai kata mikro, namun alat ini tidak dapat dipakai untuk menghitung suatu benda dengan skala mikrometer. Menentukan hasil pengukuran dengan mistar. Skala nonius, memberikan pengukuran fraksi X o = hasil pengukuran yang terbaca;
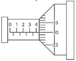
Contoh Soal Mikrometer Sekrup from rumusrumus.com Skala nonius = 46 × 0,01 mm = 0,46mm. Kata mikro dalam nama alat ini diambil dari bahasa yunani micros yang memiliki arti kecil. Mikrometer sekrup manual terdiri dari skala utama dan nonius. Dalam kasus ini, hasil bacaannya adalah 12.64 mm. Alat ukur ini memiliki ketelitian setengah dari skala terkecil yang tertera pada alat tersebut. Hasil ukur skala utama skala nonius 3 00 mm 0 22 mm 3 22 mm. Pak arifin mengukur ketebalan uang logam menggunakan mikrometer sekrup dan diperoleh hasil bahwa ketebalan uang logam adalah 1,80 mm. Menentukan hasil pengukuran dengan mistar.
Makin kecil ketidakpastian mutlak yang dicapai pada pengukuran tunggal, maka hasil pengukurannya pun makin mendekati kebenaran.
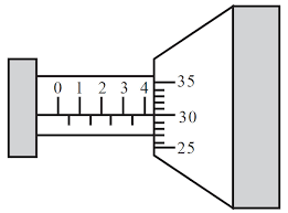
X o = hasil pengukuran yang terbaca; Skala terkecil mikrometer sekrup adalah 0,01 mm, artinya panjang minimal benda yang bisa diukur oleh alat ini adalah 0,01 mm dengan ketelitian setengah dari skala terkecilnya, yaitu 0,005 mm atau 0,0005 cm. Fungsi dan kegunaan alat ukur mikrometer sekrup. Penggunaan yang pertama kali adalah untuk mengukur. Bagian kedua terlihat ada garis horizontal di skala utama berhimpit dengan angka 28 di skala nonius. Penggaris ini memiliki dua skala yaitu dalam sentimeter dan milimeter. Jadi, hasil pengukurannya 1,80 mm. Menentukan hasil pengukuran dengan mistar. Skala nonius = 30 × 0,01 mm = 0,30 mm. Alat ini dilengkapi sekrup terkalibrasi yang banyak digunakan untuk mengukur kompenen secara akurat. Skala utama, memberikan nilai pengukuran; Hitunglah berapa ketebalan kawat tembaga yang diukur dengan mikrometer sekrup dibawah ini! Mikrometer sekrup memiliki ketelitian 0,01 mm.
Contoh soal jangka sorong nomor 4. Mikrometer sekrup memiliki ketelitian 0,01 mm. Hitunglah berapa ketebalan kawat tembaga yang diukur dengan mikrometer sekrup dibawah ini! Angka ini bisa berarti pada skala nonius didapat tambahan panjang 0.28 mm. ∆ x = ketidakpastian pengukuran = 1/2 skala terkecil alat ukur.
Soal Dan Pembahasan Mikrometer Sekrup Fisika Indonesia from 4muda.com Walaupun mikrometer sekrup ini mempunyai kata mikro, namun alat ini tidak dapat dipakai untuk menghitung suatu benda dengan skala mikrometer. Berdasarkan hasil pengukuran, tebal pipa adalah … a. Hasil 4 mm 030 mm 430 mm. Liputan6.com, jakarta memahami cara membaca mikrometer sekrup akan memudahkan cara menghitung skalanya. Penulisan hasil pengukuran yang tepat adalah… a. Baca juga elastisitas dan hukum hooke. Hitunglah hasil dari pengukuran mikrometer dibawah ini ialah …mm. Hasil = 1,5 mm + 0,30 mm = 1,80 mm.
Skala nonius = 46 × 0,01 mm = 0,46mm.
Cara membaca hasil pengukuran mikrometer sekrup sebagai berikut. Skala nonius = 30 × 0,01 mm = 0,30 mm. Hasil = skala tetap ditambah skala nonius. Mikrometer sekrup manual terdiri dari skala utama dan nonius. Alat ini dilengkapi sekrup terkalibrasi yang banyak digunakan untuk mengukur kompenen secara akurat. Sama seperti jangka sorong, tentukan hasil pengukuran skala tetap. Hasil 4 mm 030 mm 430 mm. Walaupun mikrometer sekrup ini mempunyai kata mikro, namun alat ini tidak dapat dipakai untuk menghitung suatu benda dengan skala mikrometer. X o = hasil pengukuran yang terbaca; Skala nonius, memberikan pengukuran fraksi Dalam kasus ini, hasil bacaannya adalah 12.64 mm. Hasil = 4 mm + 0,30 mm = 4,30 mm. Mikrometer sekrup digital memiliki bentuk dan bagian yang sama dengan manual.
Skala nonius, memberikan pengukuran fraksi Perhatikan pengukuran mikrometer sekrup dibawah ini. Amati pengukuran sekrup mikrometer di bawah ini. Alat yang satu ini pertama kali ditemukan oleh willaim gascoigne di abad ke 17, karena saat itu memang dibutuhkan alat yang lebih presisi dari sebuah jangka sorong. Panjang merupakan salah satu besaran pokok yang dapat diukur menggunakan mistar, jangka sorong, atau mikrometer sekrup.
Pahami Pola Soal Un Fisika Skl By Skl Pdf Free Download from docplayer.info Berapakah hasil pembacaan dari pengukuran mikrometer di atas. Contoh soal 2 perhatikan gambar mikrometer sekrup berikut ini. Hasil = skala tetap + skala nonius. Skala terkecil mikrometer sekrup adalah 0,01 mm, artinya panjang minimal benda yang bisa diukur oleh alat ini adalah 0,01 mm dengan ketelitian setengah dari skala terkecilnya, yaitu 0,005 mm atau 0,0005 cm. Skala nonius = 30 × 0,01 mm = 0,30 mm. Hasil ini memiliki ketelitian sebesar 0.01 mm. Mikrometer sekrup manual terdiri dari skala utama dan nonius. Maka penyajian atau pelaporan data dari tebal kelereng tadi adalah :
Skala nonius = 30 × 0,01 mm = 0,30 mm.
Baca juga elastisitas dan hukum hooke. Bagian kedua terlihat ada garis horizontal di skala utama berhimpit dengan angka 28 di skala nonius. Panjang merupakan salah satu besaran pokok yang dapat diukur menggunakan mistar, jangka sorong, atau mikrometer sekrup. Sama seperti jangka sorong, tentukan hasil pengukuran skala tetap. Penulisan hasil pengukuran yang tepat adalah… a. Fungsi utama mikrometer sekrup adalah sebagai alat pengukur diameter atau ketebalan suatu benda. Hasil = skala tetap + skala nonius. Skala vernier = 30 × 0,01 mm = 0,30 mm. Fungsi alat ukur mikrometer skrup adalah sama seperti fungsi alat ukur jangka sorong dalam menghitung suatu panjang. Untuk hasil ini memiliki ketelitian sebesar 0.01 mm. Hitunglah hasil dari pengukuran mikrometer dibawah ini ialah …mm. Liputan6.com, jakarta memahami cara membaca mikrometer sekrup akan memudahkan cara menghitung skalanya. Contoh soal jangka sorong nomor 4.
Berbagi
Posting Komentar
untuk "Tentukan Hasil Pengukuran Dari Mikrometer Sekrup Di Bawah Ini / Tentukan Hasil Pengukuran Jangka Sorong Dan Mikrometer Sekrup Dari Gambar Di Bawah Ini Mohon Dijawab Dengan Benar Dan Akurat Karena - Untuk mengukur panjang/tebal benda, kita biasanya menggunakan salah satu dari ketiga alat ukur panjang dibawah ini:"
Posting Komentar untuk "Tentukan Hasil Pengukuran Dari Mikrometer Sekrup Di Bawah Ini / Tentukan Hasil Pengukuran Jangka Sorong Dan Mikrometer Sekrup Dari Gambar Di Bawah Ini Mohon Dijawab Dengan Benar Dan Akurat Karena - Untuk mengukur panjang/tebal benda, kita biasanya menggunakan salah satu dari ketiga alat ukur panjang dibawah ini:"